рефераты бесплатно
 
Главная | Карта сайта
рефераты бесплатно
РАЗДЕЛЫ

рефераты бесплатно
ПАРТНЕРЫ

рефераты бесплатно
АЛФАВИТ
... А Б В Г Д Е Ж З И К Л М Н О П Р С Т У Ф Х Ц Ч Ш Щ Э Ю Я

рефераты бесплатно
ПОИСК
Введите фамилию автора:


Курсовая работа: Техническая реализация САУ (система автоматического управления) технологическим параметром (уровень воды) в котле Е-50

4.Требования к техническому обеспечению АСУ.

4.1 Комплекс технических средств АСУ должен быть достаточным для выполнения всех автоматизированных функций АСУ.

4.2 В комплексе технических средств АСУ должны в основном использоваться

технические средства серийного производства. При необходимости допускается применение технических средств единичного производства.

4.3 Технические средства АСУ, используемые при взаимодействии АСУ с другими системами, должны быть совместимы по интерфейсам с соответствующими техническими средствами этих систем и используемых систем связи.

4.4 В АСУ должны быть использованы технические средства со сроком службы не менее десяти лет. Применение технических средств с меньшим сроком службы допускается только в обоснованных случаях и по согласованию с заказчиком АСУ.

4.5 Размещение технических средств, используемых персоналом АСУ при выполнении автоматизированных функций, должно соответствовать требованиям эргономики: для производственного оборудования по ГОСТ 12.049-80, для средств представления зрительной информации по ГОСТ 21829-76, в том числе для табло коллективного пользования из цифровых знакосинтезирующих электролюминесцентных индикаторов по ГОСТ 21837-76.

4.6 Любое из технических средств АСУ должно допускать замену его средством аналогичного функционального назначения без каких-либо конструктивных изменений или регулировки в остальных технических средствах АСУ (кроме случаев, специально оговоренных в технической документации на АСУ).

4.7 Технические средства АСУ допускается использовать только в условиях, определенных в эксплуатационной документации на них. В случаях, когда необходимо их использование в среде, параметры которой превышают допустимые значения, установленные для этих технических средств, должны быть предусмотрены меры защиты отдельных технических средств АСУ от влияния внешних воздействующих факторов.

5. Требования к программному обеспечению АСУ.

5.1 Программное обеспечение АСУ должно быть достаточным для выполнения всех функций АСУ, реализуемых с применением средств вычислительной техники, а также иметь средства организации всех требуемых процессов обработки данных, позволяющие своевременно выполнять все автоматизированные функции во всех регламентированных режимах функционирования АСУ.

5.2 Программное обеспечение АСУ должно обладать следующими свойствами:

• функциональная достаточность (полнота);

• надежность (восстанавливаемость, наличие средств выявления ошибок);

• адаптируемость;

• модифицируемость;

• модульность построения;

• удобство эксплуатации.

6.Требования к информационному обеспечения АСУ.

6.1 Информационное обеспечение АСУ должно быть достаточным для выполнения всех автоматизированных функций АСУ.

6.2 В АСУ для связи между устройствами комплекса технических средств должны быть применены:

• входные и выходные сигналы:

• электрические - тока и напряжения по ГОСТ 26.011-80, с дискретным

изменением параметров по ГОСТ 26.013-81, кодированные по ГОСТ 26.014-81,

• гидравлические по ГОСТ 26.012-80,

• пневматические по ГОСТ 26.015-81;

• наборы символов алфавитно-цифровые по ГОСТ 19767-74;

• коды 8-битные по ГОСТ 19768-74.

6.3 Информационное обеспечение АСУ должно быть совместимо с информационным обеспечением систем, взаимодействующих с ней, по содержанию, системе кодирования, методам адресования, форматам данных и форме представления информации, получаемой и выдаваемой АСУ.

6.4 Формы документов, создаваемых АСУ, должны соответствовать требованиям стандартов УСД или нормативно-технических документов ведомства заказчика АСУ.

7.Требования к организационному обеспечению АСУ.

7.1 Организационное обеспечение АСУ должно быть достаточным для эффективного выполнения персоналом АСУ возложенных на него обязанностей при осуществлении автоматизированных на него обязанностей при осуществлении автоматизированных и связанных с ними неавтоматизированных функций системы.

7.2 Инструкции организационного обеспечения АСУ должны определять действия персонала АСУ, необходимые для выполнения каждой автоматизированной функции, во всех режимах функционирования АСУ, с учетом заданных требований по безошибочности и быстродействию реализации персоналом АСУ своих функциональных обязанностей, а также содержать конкретные указания о действиях в случае возникновения аварийных ситуаций или нарушении нормальных условий функционирования АСУ. Требования к содержанию инструкций - по ГОСТ 24.209-80.

7.3 По каждой автоматизируемой функции, которая выполняется во взаимодействии данной АСУ с другими системами, инструкции персоналу АСУ и этих систем должны быть взаимоувязаны для всех режимов выполнения данной функции и содержать указания о действиях персонала при отказах технических средств АСУ.

8. Требования к лингвистическому обеспечению АСУ.

8.1 Лингвистическое обеспечение АСУ должно быть достаточным для общения различных категорий пользователей в удобной для них форме со средствами автоматизации АСУ и для осуществления процедур преобразования и машинного представления обрабатываемой в АСУ информации.

8.2 В лингвистическом обеспечении АСУ должны быть:

• предусмотрены языковые средства для описания любой используемой в АСУ

информации;

• унифицированы используемые языковые средства;

• стандартизованы описания однотипных элементов информации и записи

синтаксических конструкций;

• обеспечены удобство, однозначность и устойчивость общения пользователей со средствами автоматизации АСУ;

• предусмотрены средства исправления ошибок, возникающие при общении

пользователей с техническими средствами АСУ.

8.3 Лингвистическое обеспечение АСУ должно быть отражено в документации

(инструкциях, описаниях) организационного обеспечения АСУ в виде правил общения пользователей с техническими средствами АСУ во всех режимах функционирования системы.

9. Требования к правовому обеспечению АСУ.

Правовое обеспечение АСУ должно включать совокупность правовых норм:

• определяющих юридическую силу информации на носителях данных и документов, используемых при функционировании АСУ и создаваемых системой;

• регламентирующих правоотношения между людьми, входящими в состав персонала АСУ (права, обязанности и ответственность), а также между персоналом АСУ и персоналом систем, взаимодействующих с АСУ.

10. Требования к эксплуатационной документации на АСУ.

10.1 Эксплуатационная документация на АСУ должна быть достаточной для ввода АСУ в действие и ее эффективного функционирования.

10.2 Эксплуатационная документация на АСУ должна:

• содержать сведения, необходимые для быстрого и качественного освоения и

правильной эксплуатации средств автоматизации АСУ;

• содержать указания по деятельности персонала АСУ в аварийных ситуациях или при нарушении нормальных условий функционирования АСУ;

• не содержать положений, допускающих неоднозначное толкование.

3.2 Требования к ТСА и качество управления

Качество управления технологическим процессом характеризуется выполнение системой функций:

• автоматический сбор значений параметров технологического процесса;

• анализ значений контролируемых параметров технологического процесса;

• автоматическое управление параметрами технологического процесса;

• определение внешних ситуаций.

3.3 Анализ качества управления существующей САУ

Анализ возложенных на систему управления функций показал, что для обеспечения сбора значений параметров технологических процессов котельный агрегат и его технологическое оборудование должны быть оснащены датчиками, а для управления параметрами – исполнительными устройствами. Конечно же, для осуществления анализа значений контролируемых параметров, формирования управляющих воздействий, определения внештатных ситуаций необходимо вычислительное устройство – автоматический регулятор, обеспечивающий сравнение полученных значений параметров со значениями параметров нормального течения процесса – установок.


4. Выбор ТС разрабатываемой САУ

4.1 Обоснование выбора ТС

Выбор технических средств осуществлялся по многим критериям:

• соответствие ГОСТу;

• качество;

• надёжность;

• температурные диапазоны работы;

• регулировочный диапазоны работы;

• унифицированный выход сигналов;

• соответствие рабочим средам;

• технологическая совместимость ТС и т.д.

4.2 Перечень и спецификация ТС САУ

Датчик разности давлений, МЕТРАН-150 CD (150 CDR).

Технические характеристики:

• диапазон пределов измерений гидростатического

давления (уровня) 0,63 – 2060 кПа;

• температура окружающей среды -40…80°С;

• поворот корпуса / поворот ЖКИ 180°/360° (с шагом 90°);

• корозионностойкость — измерение давления агрессивных сред

• конструкция Coplanar позволяет присоединять интегральные вентильные блоки, выносные мембраны (разделители), первичные преобразователи расхода;

• высокая перегрузочная способность и стойкость к пневмо- и гидроударам, исключающая выход сенсора из строя;

• стабильность «нуля»;

• выходные сигналы:

- аналоговый токовый (0-5 мА);

- HART-протокола (4-20 мА);

• межповерочный интервал / гарантийный срок эксплуатации 3 года и т.д.

Диафрагма камерная (2 шт).

ДКС06-200-А/Б-1 ГОСТ8.563.1…8.563.3, производство ЗАО «Метран».

Интеллектуальный вихревой расходомер ЭМИС-ВИХРЬ 200-2шт..

Технические характеристики:

• измеряемая среда:

- жидкость;

- газ (в том числе кислород);

- пар;

• динамический диапазон:

- до 50:1 для газа и пара;

- до 40:1 для жидкостей;

• присоединение к трубопроводу

- фланцевое (от 25 до 300 мм);

- фланцевое с коническими переходами (от 25 до 300 мм);

- сэндвич (от 15 до 200 мм);

• давление измеряемой среды до 6,3 МПа;

• температура измеряемой среды от -40°С до +460°С;

• выходные сигналы:

- аналоговый токовый 4-20 мА;

- частотный до 10000 Гц;

- цифровой RS-485 Modbus RTU;

• температура окружающей среды от -40°С до +70°С;

• межповерочный интервал / гарантийный срок эксплуатации 4 года и т.д..

Контроллер Mitsubishi ALPHA XL AL2-24MR-A.

Технические характеристики:

• надёжная среда программирования Function Block Diagram (FBD);

• конфигурация системы: - AL-232 CAB;

- AL2-GSM-CAB;

- RS-232C;

- RS-485;

- передача данных через GSM-модем;

• модуль PID-регулятора с автонастройкой;

• встроенные часы реального времени (радио-часы DCF77);

• источник питания:

- напряжение 100...240 В;

- частота 50…60 Гц;

- потребляемая мощность 7,0 Вт;

• количество цифровых входов 15;

• количество выходов 9;

• ЖК дисплей 12 символов, 4 строки.

Кран шаровый ФБ39.Х14.100 c электроприводом AUMA SG07.1-11.

Технические характеристики ФБ39.Х14.100:

• рабочие жидкие и газообразные среды, по отношению к которым применяемые материалы коррозионностойки;

• рабочее давление до 25 МПа;

• температура рабочей среды от -40°С до +160°С; • присоединение к трубопроводу:

- фланцевое; - муфтовое;

- под приварку;

• полный срок службы не менее 10 лет.

Технические характеристики электропривода AUMA SG07.1-11:

• мощность двигателя 0,160 кВт;

• номинальный ток 0,6 А;

• температура окружающей среды −25 °C до + 70 °C.

5. Выбор структуры регулятора

5.1 Обоснование выбора структуры регулятора

Применение пропорционально-интегрального (ПИ) закона регулирования для астатического объекта с явлением "набухания*" не обеспечивает требуемого качества регулирования (длительные слабо затухающие колебания уровня при ступенчатом входном возмущении). Интегральный (И) закон также дает плохую устойчивость системы. Пропорциональный (П) закон не допустим из-за статической ошибки регулирования. Поэтому для регулирования уровня в парогенераторах применяют комбинированную АСР: регулирование по отклонению с П-регулятором и контуром инвариантности по основному возмущающему воздействию - расходу пара.

2-импульсная схема регулирования не применяется по следующим причинам:

1) расход питательной воды через регулирующий питательный клапан зависит не только от положения клапана, но и от перепада давления на нем, который в процессе эксплуатации может изменяться;

2) в дифманометрах-расходомерах прежних лет выпуска выходной сигнал был пропорционален корню квадратному из перепада давления.

Указанные недостатки 2-контурной АСР устраняются введением в регулятор третьего импулься по расходу питательной воды от расходомера. Такая 3-импульсная АСР изображена на рис.2.

5.2 Функциональная схема принцип действия регулятора

Принцип работы АСР следующий. Сигналы по расходу пара и питательной воды вводятся в регулятор с противоположными знаками. В установившемся состоянии эти сигналы равны, противоположны по знаку и, следовательно, компенсируют друг друга.

Сигнал по уровню воды в парогенераторе компенсируется сигналом задания. При изменении расхода пара мгновенно изменяется соответствующий сигнал на входе в регулятор и последний пропорционально изменяет расход питательной воды, не дожидаясь изменения уровня.

Рис.2. Функциональная схема САУ.

1-датчик расхода пара; 2-барабан; 3-дифференциальный датчик давления; 4-водяной экономайзер; 5-контроллер; 6-регулирующий клапан питательной воды; 7-датчик расхода питательной воды.

В регуляторе используется ПИ-закон регулирования, однако вследствие ввода в регулятор практически безинерционной отрицательной обратной связи по расходу питательной воды в нем реализуется П-закон регулирования (аналогия жесткой обратной связи по положению регулирующего органа). Статическая неравномерность П-регулятора устраняется корректирующим сигналом по расходу пара.

Увеличение потребления пара потребителям при неизменной подаче топлива приведёт к уменьшению давления в барабане котла, что вызовет увеличение объёма пароводяной эмульсии, так называемое «набухание».


6. Организация безударных переходов в САУ

6.1 Способы обеспечения высокой надёжности САУ

Надежность - свойство системы сохранять во времени и в установленных пределах значения всех параметров, характеризующих способность системы выполнять требуемые функции в заданных режимах и условиях эксплуатации.

Надежность системы в большинстве случаев трудно непосредственно получить из первичной информации, кроме того, она не позволяет оценить влияние различных этапов разработки и эксплуатации системы, поэтому надежность рассматривают по трем главным составляющим, которые являются свойствами системы и могут характеризоваться как качественно, так и количественно:

- безотказность-свойство системы сохранять работоспособность в течение требуемого интервала времени непрерывно без вынужденных перерывов.

- восстанавливаемость (ремонтопригодность)-свойство системы, заключающееся в ее приспособленности к предупреждению, обнаружению и устранению причин возникновения отказов, а также поддержанию и восстановлению работоспособного состояния путем проведения технического обслуживания и ремонтов;

- готовность-свойство системы выполнять возложенные на нее функции в любой произвольно выбранный момент времени в установившемся процессе эксплуатации. Готовность определяется как безотказностью, так и восстанавливаемостью системы.

Система выполняющая эти три теоретические показатели считается надёжной.


6.2 Принцип организация безударного перехода

Одним из основных требований при разработке САУ является обеспечение требуемой надёжности и эффективности, а также организации безударных переходов. Для организации безударных переходов используются различные режимы отступления к значению регулирующего параметра, управляющего воздействия или значению задания.

Рассмотрим различные ситуации, которые могут возникнуть в САУ.

• Выход из строя программированного контроллера.

• Обрыв цепи измерительного прибора

• Переход с автоматического режима работы на ручной и наоборот по запросу оператора.

Во всех трёх случаях регулирование уровня воды в барабане будет проходить в ручном режиме до устранения неполадки. Главным орган регулирования, клапан имеет не только электропривод, но и механическое энергонезависимое регулирование положение шаровой заслонки.

6.3 Структурная схема САУ

Рис.5. Структурная схема САУ

Объектом управления является барабан котла, в котором регулируется физическая величина Y (уровень воды). На объект действуют внешние возмущения fi приводящие к изменению регулируемой переменной Y. Регулирование объектом осуществляется путём изменения управляющего сигнала U. Регулируемая переменная Y измеряется датчиком обратной связи – ДОС и преобразуется в нормированный выходной сигнал Yoc, который в сравнивающем устройстве сравнивается с нормированным сигналом задания g, формируемым задающим устройством ЗУ, или системой управления вышестоящего уровня. Сигнал отклонения (ошибки) ε поступает на регулятор, который формирует управляющее воздействие U. В состав регулятора входит большое число различных блоков и устройств, обеспечивающих требуемое преобразование сигналов. Это исполнительное устройство (исполнительный двигатель или исполнительный механизм) с регулирующим устройством (клапан, задвижка, заслонка, вентиль и др.); усилитель мощности; модуляторы; демодуляторы; динамические преобразователи (интеграторы, дифференциаторы), формирующие требуемый закон регулирования; нелинейные преобразователи; корректирующие устройства и др. В промышленных системах регулирования различными объектами разными будут регулируемая величина, датчик обратной связи и регулирующее устройство. Все остальные блоки регулятора имеют унифицированные внешние связи и работают с унифицированными сигналами, что позволяет с их помощью реализовывать регуляторы в самых различных промышленных системах регулирования.


7. Разработка технической структуры САУ

7.1 Техническая реализация САУ

Техническая реализация старой САУ на новую, есть аппроксимация оборудования без замены трубопроводов с использованием старых фланцевых соединения в случае с заменой запорной арматуры. Датчики расхода имеют сэндвичное присоединение на трубопроводов, что позволяет производить монтаж и наладку ДР без остановки работы котла, т. е. в «рабочем режиме». Монтаж всех кабелей ТС можно производить с использованием старых трасс и кабельных линий. Данные работы по установке, монтажу ТС и прокладке кабелей осуществляется монтажной бригадой по наряду-допуску и распоряжению. Наладка, программирование контроллера, пуск в работу осуществляется непосредственно квалифицированным персоналом в области автоматизации.

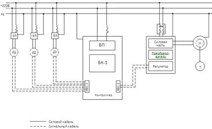
7.2 Техническая структура САУ

7.2.1 Верхний уровень (дистанционное управление, визуализация, регистрация, архивация и т.д.);

7.2.2 Нижний уровень (сбор и первичная обработка информации с датчиков, автоматическое регулирование, создание и выполнение алгоритмов взаимодействия устройств управления);

7.2.3 Полевые устройства управления (исполнительные механизмы, измерительные приборы, устройства сигнализации).

Раскроем уровни САУ подробно с описанием в каждом его назначения, принцип, используемое оборудование.

7.2.1. Верхний уровень, есть операторская станция с промышленным компьютером и другими коммуникационными устройствами. В задачу уровня входит:

• организация операторского интерфейса;

• контроль и отображение технологического процесса;

• архивация данных и формирование отчётов;

• дистанционное управление оборудованием;

• координация и оптимизация технологического процесса.

Связь с нижним уровнем будет осуществляться протоколом ModBus.

7.2.2 Нижний уровень организован программируемым контроллером Mitsubishi ALPHA XL AL2-24MR-A. Программирование в среде FBD. Контроллер выполняет роль цифрового регулятора. Выполнение инструкций на получение операций, обмен данными, будет осуществляться через порт ModBus, RS-232 и центральный процессор i8088.

7.2.3 Полевые устройства управления (исполнительные механизмы, измерительные приборы, устройства сигнализации). Связь между нижним и всеми устройствами будет осуществляться витыми парами с унифицированным выходным сигналом 4…20мА, 0...5 мА.

Рис.6. Техническая структура САУ.

7.3 Описание работы САУ

Расход питательной воды и расход пара измеряются методом переменного перепада. Перепад давления пропорциональный расходу питательной воды, создаваемый на камерной диафрагме ДКС06-200-А/Б-1, и перепад давления пропорциональный расходу пара, создаваемый на диафрагме ДКС06-200-А/Б-1 измеряются и преобразуются преобразователем Метран-150CD в унифицированный токовый сигналы 0-5 мА, и с выходов измерительного преобразователя Метран-150CD сигналы подаются через вторичный прибор на входы микроконтроллера Mitsubishi ALPHA XL AL2-24MR-A, он же воздействует на положение питательного шарового крана ФБ39.Х14.100 с электроприводом AUMA SG07.1-11.


 

8. Разработка электрической схемы САУ.

Этапы разработки электрической схемы САУ:

• организация электропитания устройств автоматизации и защит кабельных линий;

• организация ввода/вывода аналоговых и ввода дискретных сигналов;

• организация сетевого соединения между верхним и нижнем уровнем.


Выводы

В данном курсовом проекте мы рассмотрели возможности регулирования технологического процесса (уровня воды) в котле малой мощности модели Е-50. Для обеспечения надежности регулирования, простоты снятия данных до 8 технологических параметров было рассмотрено регулирующее устройство фирмы Mitsubishi, отличительными чертами которого являются высокая функциональность, надежность и гибкость при умеренной стоимости.

С данным контроллером были рассмотрены модули и датчики необходимые для снятия данных параметра и ввода их в память контроллера.

В итоге можно сказать, что разработанная система является более надежной, «живучей», оперативной, мобильной, интеллектуальной, чем система автоматизированного управления, которая стояла до внедрения рассмотренной нами системы.


Список используемой литературы.

1. Александров В.Г. «Вопросы проектирования паровых котлов средней и малой производительности.» М.-Л., Госэнергоиздат, 1990.

2. Бесекерский В.А., Попов Е.П. «Теория систем автоматизированного управления.» СПб.: Профессия, 2003.

3. Двойнишников В.А. «Конструкция и расчет котлов и котельных установок.» М.:Машиностроение, 1988.

4. Сидельковский Л.Н., Юренев В.Н. «Котельные установки промышленных предприятий: Учебник для вузов.», 3-е изд., перераб.-М.:Энергоатомиздат, 1988.

Также источником информации стали некоторые сайты:

1.  http://rosenergostal.ru

2.  http://www.es-electro-ural.ru


Приложение

1. Принципиальная схема барабанного котла Е-50

2. Электрическая схема САУ


Страницы: 1, 2


рефераты бесплатно
НОВОСТИ рефераты бесплатно
рефераты бесплатно
ВХОД рефераты бесплатно
Логин:
Пароль:
регистрация
забыли пароль?

рефераты бесплатно    
рефераты бесплатно
ТЕГИ рефераты бесплатно

Рефераты бесплатно, реферат бесплатно, сочинения, курсовые работы, реферат, доклады, рефераты, рефераты скачать, рефераты на тему, курсовые, дипломы, научные работы и многое другое.


Copyright © 2012 г.
При использовании материалов - ссылка на сайт обязательна.