рефераты бесплатно
 
Главная | Карта сайта
рефераты бесплатно
РАЗДЕЛЫ

рефераты бесплатно
ПАРТНЕРЫ

рефераты бесплатно
АЛФАВИТ
... А Б В Г Д Е Ж З И К Л М Н О П Р С Т У Ф Х Ц Ч Ш Щ Э Ю Я

рефераты бесплатно
ПОИСК
Введите фамилию автора:


Курсовая работа: Выбор комплекса технических средств автоматизации процесса абсорбции

Курсовая работа: Выбор комплекса технических средств автоматизации процесса абсорбции

Содержание

Введение

1.  Краткое описание технологического процесса

2.  Выбор параметра регулирования и контроля.

Выбор главного контура

3.  Описание всех регулируемых и измеряемых параметров, в каких диапазонах измеряются. Функциональная схема

4.  Выбор технических средств автоматики. Формирование бланка

заказов. Схема подключения. Составить спецификацию

5.  Расчет РО

6.  Схема электрическая принципиальная

Заключение

Список литературы


Введение

Управление каким-либо объектом – это процесс воздействия на него с целью обеспечения требуемого течения процесса в объекте или требуемого изменения его состояния. Управление без участия человека называется автоматическим управлением.

Техническое устройство, с помощью которого осуществляется автоматическое управление объекта, называется управляющим устройством, а система управления совместно с объектом образует автоматическую систему управления.

Развитие технических средств автоматизации (ТСА) является сложным процессом, в основе которого лежат интересы автоматизированных производств потребителей с одной стороны и возможностей предприятия производителя с другой. Стимулом является повышение эффективности работы производств потребителей за счет внедрения новой техники автоматизации.

Развитие ТСА можно разделить на три характерных периода:

- начальный этап;

- этап комплексной автоматизации и механизации;

- этап автоматических систем управления

По виду энергии носителя сигнала канала связи применяемой для приема, выдачи и обмена информацией различают следующие ветви устройств:

- электрическая ветвь (ЭВ);

- гидравлическая ветвь (ПВ);

- пневматическая ветвь (ГВ);

- комбинированная ветвь (КВ).

Наиболее универсальной является электрическая ветвь. Её приборы и устройства обладают высокой чувствительностью, быстродействием, обеспечивают дальность связи и большую ёмкость передаваемой информации.

Автоматизация приводит к улучшению основных показателей эффективности производства: увеличению количества, улучшению качества и снижению себестоимости выпускаемой продукции, повышению производительности труда. Внедрение автоматических устройств обеспечивает высокое качество продукции, сокращение брака и отходов, уменьшение затрат сырья и энергии, уменьшение численности основных рабочих, снижение капитальных затрат на строительство зданий (производство организуется под открытым небом), удлинение сроков межремонтного пробега оборудования.


1. Описание технологического процесса

Абсорбцией называется процесс поглощения газов или паров из газовых или парогазовых смесей жидкими поглотителями (абсорбентами).

Различают физическую абсорбцию и хемосорбцию. При физической абсорбции растворение газа в жидкости не сопровождается химической реакцией или влиянием этой реакции на скорость процесса можно пренебречь.

Физическая абсорбция в большинстве случаев обратима. На этом свойстве абсорбционных процессов основано выделение поглощенного газа из раствора – десорбция.

Сочетание абсорбции с десорбцией позволяет многократно применять поглотитель и выделять поглощенный компонент в чистом виде. Во многих случаях проводить десорбцию не обязательно, так как абсорбент и абсорбтив представляют собой дешевые или отбросные продукты, которые после абсорбции можно вновь не использовать (например, при очистке газов).

В промышленности процессы абсорбции применяют главным образом для извлечения ценных компонентов из газовых смесей или для очистки этих смесей от вредных примесей.

Абсорбционные процессы широко распространены в химической технологии и являются основной технологической стадией ряда важнейших производств ( производство неорганических кислот; абсорбция различных компонентов из коксового газа; абсорбция паров различных углеводородов из газов нефтепереработки и т.п.). Кроме того абсорбционные процессы являются основными процессами при санитарной очистке выпускаемых в атмосферу отходящих газов от вредных примесей ( очистка топочных газов от SO2; очистка от фтористых соединений газов при производстве минеральных удобрений).

При абсорбции содержание газа в растворе зависит от свойств газа и жидкости, давления, температуры, и свойств газовой фазы (парциального давления растворяющего газа в газовой смеси).


2 Выбор параметров контроля и регулирования. Выбор главного контура

Основной регулирующей величиной в процессе абсорбции является концентрация определенного компонента в полученном продукте или содержание в нем примесей, которые я буду определять при помощи оптико-акустического газоанализатора.

Положение рабочей линии зависит от начальной и конечной концентрации компонента в обеих фазах, а положение равновесной линии – от температуры и давления в аппарате. Из этого следует, что концентрация извлекаемого компонента в обеденной смеси зависит от его начальных концентраций в газовой и жидких фазах, от расхода поступающей газовой смеси, от относительного расхода абсорбента, а также от температуры и давления в абсорбере.

Температуру я буду измерять при помощи термопреобразователя с

унифицированным выходным сигналом 4…20 мА серии ТСПУ Метран – 276.

Расход в трубопроводе буду измерять при помощи кориолисового расходомера серии Метран – 360.

Давление в абсорбере буду измерять при помощи датчика давления фирмы КОРУНД-ДД-101.

Также требуется измерять и регулировать уровень жидкости в абсорбере. Измерять его будем при помощи дифмонометра серии Метран-100.

Регулировать в процесс абсорбции будем уровень, давление, температуру и расход абсорбента. Для регулирования используем электрический привод прямоходовой фирмы SAUTER. Данный привод включает в себя преобразователь и регулирующий орган.

В качестве главного контура возьмем контур регулирования давления в абсорбере с помощью расхода. Опишем этот контур по подробней. Давление будем измерять при помощи датчика КОРУНД-ДД-101, который питается от 24 В постоянного напряжение. На выходе из датчика получаем получаем унифицированный токовый сигнал 4…20 мА, который поступают на наш регулятор, где сигнал преобразуется при помощи ПИД закона. На выходе из регулятора получаем токовый сигнал 4…20 мА, который поступает на исполнительный механизм, в нашем случае эта AVF 234S SUT Привод Клапана с Возвратной Пружиной.

3 Описание всех регулируемых и измеряемых параметров

В нашем технологическом процессе я измеряю и регулирую один из таких параметров как температура. Температуру измеряю свежего абсорбента, насыщенного газа, обедненного газа, насыщенного абсорбента. Где предел измерения температуры составляет 60℃, 18℃, 25℃ и 30℃ соответственно, а допустимое отклонение составляет ±5%.

Следующим параметром подлежащему контролю и регулированию является расход. В данном процессе я измеряю расход насыщенного газа, который равен 9300 м3/ч с допустимым отклонением 2%. Также измеряю расход обедненного газа, который равен 7800 м3/ч с допустимым отклонением 4%. И расход насыщенного абсорбента равного 2800 м3/ч с отклонением 5% от желаемой величины. А измерению и регулированию подлежит расход свежего абсорбента равного 2850 м3/ч с отклонением от желаемого значения в 3%.

Один из важнейших параметров является концентрация насыщенного, обедненного газа, а также концентрация насыщенного абсорбента которые равны 10%, 1.5% и 40% соответственно. Допустимое отклонение всех значений равно ± 0,5%.

Для благополучного протекания процесса абсорбции необходимо также регулировать давление в абсорбере и уровень жидкости в нем. Давление в абсорбере должно колебаться в диапазоне от 0,388 до 0,412 МПа, а уровень от 0,315 до 0,385 м

Каждый параметр измеряется определенным датчиком, при этом датчики подобраны так, чтобы сигнал на выходе из него был 4…..20 мА. Далее сигнал попадает на регулятор где в соответствие с ПИД- законам осуществляется регулирование и из датчика сигнал поступает на исполнительный механизм который в свою очередь перемещает шток регулирующего органа изменяя при этом расход вещества для поддержания процесса в заданных условиях.

Составим таблицу в которой опишем каждый элемент в соответствие с установленными требованиями:

Позиция на функциональной схеме Параметр Прибор Тип прибора Диапазон измерения Техническая характеристика
1-1 ТE Термопреобразователь сопротивления ТСПУ Метран-276 ТСПУ Метран-276 0 – 100°C

НСХ - 100М

Линейная зависимость

Погрешность 0,5%

Длинна монтажной

части 500мм;

1-2

2-2

3-2

TIR

FIR

QIR

Вторичный прибор

Прибор измерения, регистрации, сигнализации

Метран-620 --- входной сигнал 4-20 мА

4-2

5-2

6-2

7-2

TIC

LIC

PIC

FIC

ПИД-

регулятор

JUMO DICON

400/500

---

Кол-во аналоговых входов – 4 (4-20 мА)

выходов – 4 (4-20 мА)

3-1 FE

Расходо-

мер

кориолисо-

вый

Метран-

360

33-11161 м3/ч

Погрешность измерения (%);±0,5;

Выходной сигнал

4-20 мА

7-1 LE диф. монометр Метран 100-дд ----------

Погрешность измерения

±0,1%

Выходной сигнал

4-20 мА

6-1 PE датчик давления Корунд-ДД-105 до 4 МПа

Погрешность измерения

±0,5%

Вых сигнал 4-20мА

2-1 QE Газоанализатор КЕДР-М 0-15 %

Вых. сигнал 4 – 20 мА;

Погрешность ±4%, ±6%, ±10%

4-3

5-3

6-3

NS Пусковая аппаратура для управления электродвигателем SAUTER ----

Входной сигнал

4-20 мА

Ход 8…49 мм

4 Выбор технических средств автоматизации

Датчик давления КОРУНД -ДД-105 до 4 МПа . Датчики устойчивы к воздействию температуры окружающего воздуха в диапазоне рабочих температур от -40°С до +80°С. Датчики выдерживают кратковременное (импульсное, скачкообразное с последующим спадом до рабочих условий) воздействие температуры контролируемой среды в пределах от -60°С до +125°С. При этом погрешность датчика за пределами диапазона рабочих температур не нормируется. Датчики, в зависимости от заказа, могут поставляться для работы во взрывоопасных и взрывобезопасных условиях Датчик с выходным сигналом 4-20 мА Пределы допускаемой основной погрешности датчиков, выраженные в процентах от диапазона изменения выходного сигнала, равны ±0,15; ±0,25; ±0,5; ±1,0 %

Вариация выходного сигнала датчика не превышает 0,05%. Зона нечувствительности датчика не превышает 0,1% от диапазона измерений. Напряжение питания датчиков Uпит=24 В

Бланк заказов имеет вид:

КОРУНД-ДД-105-УХЛ3.1-0,25-2,5кПа-4МПа-42-Exia-t1-ДП-0,2-IP65-ДД01-И


 


В качестве датчика температуры возьмем термопреобразователь ТСПУ Метран – 276.


Технические характеристики термопреобразователя приведены в таблице:


Напряжение питания 24 В постоянного напряжения. Схема подключение приведена ниже:

Следующим измерительным преобразователем будет кориолисовый расходомер Метран – 360 - R100F. Измеряемая среда – газы и жидкости, эмульсии и суспензии, а также нефть и т.д. Параметры измеряемой среды:

- температура -40…125℃

- рабочее избыточное давление в трубопроводе до 30 МПа

- пределы основной относительной погрешности измерений массового и обьемного расходов жидкостей ±0,5%


Основные преимущества:

- высокая точность измерения параметров в течение длительного времени;

- возможность работы вне зависимости от направления потока;

- отсутствие прямолинейных участков трубопровода до и после расходомера;

- надежность работы при наличии вибрации трубопровода, при изменении температуры и давлении рабочей среды;

- длительный срок службы и простота обслуживания благодаря отсутствию движущихся и изнашивающихся частей

Основные технические характеристики приведены в таблице:

На выходе у расходомера унифицированный токовый сигнал 4…20 мА.

Питание 24 В постоянного напряжения. Электрическая схема подключения имеет вид:


Следующим измерительным датчиком будет датчик разности давления Метран-100-ДД.

- Измеряемые среды: жидкость

- Диапазон измерения давления: от 4 до 250 кПа

- Основная приведенная погрешность измерения до ±0,1%

- Диапазон перенастроек пределов измерений до 25:1

- Исполнения: обыкновенное и взрывозащещенное

- Межповерочный интервал – 3 года

- Гарантируемый срок эксплуатации – 3 года

Датчик гидростатического давления (уровня) могут использовать для измерения уровня в резервуаре открытых, закрытых, но соединенных с атмосферой, в закрытых под давлением. Давление столба жидкости определяется таким факторами, как уровень жидкости от обьема резервуара и его формы и определяется по формуле:


Для закрытого резервуара установка имеет вид:

Датчик питается от 24 В постоянного напряжения. На выходе токовый сигнал 4…20 мА. Электрическая схема подключения имеет вид:



Оптико–акустический газоанализатор КЕДР-М

Назначение Микропроцессорный газоанализатор КЕДР-М является автоматическим и непрерывно действующим прибором, предназначенным для определения концентрации одного из компонентов в сложной газовой смеси. КЕДР-М может быть использован для: • технологического контроля различных производств, в т.ч. производств аммиака, ацетилена, метанола • оптимизации процессов горения по данным о составе дымовых газов • контроля содержания оксида углерода в отходящих газах топливосжигающих установок различных типов - водогрейных котлов, ТЭЦ, асфальтовых заводов.

Принцип действия Избирательное поглощение инфракрасного излучения определяемым компонентом анализируемой газовой смеси. Технические характеристики КЕДР-М

Прибор имеет ряд исполнений, каждое из которых имеет один диапазон измерения одного из измеряемых компонентов (об. доля, %)

SO2

0–0,1; 0–0,2; 0–0,5; 0–1; 0–2; 0–5; 0–10; 0–20 %
Предел допускаемой основной приведенной погрешности газоанализатора, в % от верхнего предела диапазона измерений
  0–0,1; 0–0,2; 0–0,5; 0–1; 0–2; 0–5; 0–10; 0–20 %

SO2

Основные характеристики
Время установления показаний 9 с
Выходной сигнал 0-5 мА или 4-20 мА (по желанию заказчика)
Цифровой выход через интерфейс RS-232
Индикатор цифровой
Время прогрева не более 30 мин
Прибор выполнен в обыкновенном исполнении и устанавливается во взрывобезопасном помещении
Температура окружающего воздуха 5-50 °C
Время работы без подстройки не менее 30 сут
Питание от сети 220 В 50 Гц
Потребляемая мощность 45 Вт
Габаритные размеры 180*360*420 мм
Масса   12 кг

JUMO DICON 400/500 универсальные регуляторы процесса

Приборы имеют два четырехразрядных 7_сегментных дисплея, пять или восемь светодиодов для индикации коммутационных положений и режимов, один восьмиразрядный матричный дисплей, а также шесть кнопок для управления и конфигурирования. В качестве дополнительных функций предусмотрены самооптимизация, переключение наборов параметров и до восьми предельных компараторов. Линеаризации стандартных датчиков измеряемых величин записаны в память, возможно программирование таблицы линеаризации по данным Пользователя. С помощью математического модуля регулятор процесса можно приспособить для выполнения различных задач.


Технические характеристики

Вход для унифицированных сигналов:

Выходы:

Регулятор:

Электрические характеристики:


Схема подключения:

Для аналоговых входов:


Для аналоговых выходов:

Бланк заказа примет вид:

703570 082 – 1100 – 110000 – 23 – 00 – 00 / 00, 061

Аналоговый цифровой индикатор         Метран – 620


Автономный цифровой индикатор Метран – 620 предназначен для отображения различных параметров, измеряемых датчиками с унифицированным выходом сигналом 4-20 мА, установленными в полевых условиях или труднодоступных местах.

Основные технические характеристики:

- питание индикатора осуществляется от токовой петли датчика, напряжение питания не превышает 4 В;

- относительная погрешность индикации текущего значения измеряемой величины ±0,5%

- масса не более 0,2 кг



Также выбираем блок питания для нашего регулятора фирмы JUMO TN-22.

Питается от сети 220 В переменного напряжения. На выходе 24 В постоянного напряжения.

Для датчиков выберем блок питания Метран – 602.

Блок питания Метран-602 предназначен для преобразования сетевого напряжения 220 В в стабилизированное напряжения 24 В и питания датчиков с унифицированным токовым сигналом.

Блок питания Метран-602 состоит из сетевого трансформатора и двух независимых каналов, каждый из которых имеет стабилизатор, схему электронной защиты. Схема электронной защиты предназначена для защиты питания от перегрузок и коротких замыкания в нагрузке. Блок питания автоматически выходит на рабочий режим после устронения замыкания в нагрузке.


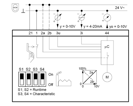
В качестве исполнительного механизма возьмем AVF 234S SUT Привод Клапана с Возвратной Пружиной для контроллеров с аналоговым (0...10 V и/или 4...20 мА) или переключаемым выходом (2- или 3-поз.управлением). Привод клапана имеет пружинную функцию с заданным конечным положением в случае сбоя питания или срабатывания ограничителя. Характеристика клапана (линейная / равнопроцентная / квадратичная) устанавливается на позиционере. Корпус из самозатухающегося, желтого пластика. Мотор постоянного тока, электроника управления, визуализация с помощью LED,передаточный механизм из закаленной стали, не требует ухода, комплект пружин, стержни монтажа из нержавеющей стали, и монтажная консоль из чугуна легкого металла для установки на клапан. Другие свойства: электронное отключение по нагрузке с помощью упора на приводе или клапане, автоматическая калибровка к ходу клапана, кодирующие переключатели для установки характеристики и времени хода, пусковая рукоятка для ручного управления на корпусе (с выключением двигателя и для вызова повторной инициализации). Возможно переключение направления действия извне (питание на разъем 2a или 2b). Электроразъемы (не более 2,5 мм2) с винтовыми разъемами. Три открываемых кабельных ввода для M20×1,5

(2×) и M16×1,5. Монтаж от вертикального (не перевернутого) до горизонтального положения.


Технические характеристики

Схема подключения привода клапана представлена ниже


5 Расчет регулирующего органа

РО характеризуются следующими основными параметрами:

- пропускная способность;

- условная пропускная способность:

- рабочее давление;

- перепад давления на РО;

- условный проход;

- условий их применения.

Рассчитаем РО. Исходные данные:

1)  максимальный расход  м3/ч;

2)  минимальный расход 7800 м3/ч;

3)  давление в магистрали  МПа;

4)  давление в абсорбере ;

5)  температура пара  ˚С;

6)  внутренний диаметр трубопровода  мм (из условия выбора диаметров для трубопровода).

Расходная характеристика – линейная.

Паропровод имеет один поворот под углом 90˚ с радиусом загиба 0,5 м; на трубопроводе установлена запорная задвижка; разность высот начального и конечного участков . Суммарная длина паропровода

1.По таблицам оксид серы при  и  находим: динамическая вязкость ; показатель адиабаты ; плотность

2.Определяем гидростатический напор, соответствующий разности уровней верхней и нижней отметок трубопровода


Определяем число Рейнольдса при :

Определим условие гидравлической гладкости трубопровода :

где  — шероховатость трубопровода.

Так как трубопровод в данном случае не является гидравлически гладким, то коэффициент трения 𝜆 определяется по графической зависимости в зависимости от  и . При  и  коэффициент трения .

Находим среднюю скорость в паропроводе при максимальном расчетном расходе :

Находим потерю давления на прямых участках трубопровода :


Определяем потери давления в местных сопротивлениях трубопровода:

Приведем табличные значения параметров:

, , , .

Тогда:

Общие потери давления в линии:

3.Определяем перепад давления в РО при максимальном расчетном расходе пара:

Очевидно, что при очень малых расходах потери давления в линии являются пренебрежимо малой величиной и перепад давления на РО :

Таким образом, перепад на РО практически остался неизменным.


4.Так как , то находим максимальную пропускную способность РО:

5,Выбираем двухседельный РО с условной пропускной способностью  с .

5.Определяем отношение перепада давления на РО при максимальном расходе:

6.Так как по условию расходная характеристика должна быть линейной, то при n=0 следует выбрать РО с линейной пропускной характеристикой.

7.Определяем максимальный расход для выбранного РО:

7.Определяем относительное значение расходов:

8.Определяем диапазон перемещений затвора РО с линейной характеристикой при n=0:

 м


6 Разработка принципиальной схемы автоматизации

В качестве главного регулирующего контура я выбрал регулирование давление в абсорбере при изменение расхода обедненного газа. Для измерения расхода я выбрал датчик КОРУНД – ДД – 105.

Сигнал выходящий из датчика является унифицированным токовым 4-20 мА.

Этот сигнал поступает на вход регулятора JUMO, который реализует ПИД –закон регулирования.


На выходе из регулятора получаем отрегулированный токовый сигнал 4-20 мА. Далее сигнал поступает на исполнительный механизм. В данном курсовом проекте я выбрал исполнительный механизм марки SAUTER AVF 234S SUT.

Поступивший сигнал преобразуется в перемещение штока, а перемещение штока будет регулировать наш расход. Т.о добьемся нужной цели для нашего технологического процесса.


Заключение

В данном курсовом проекте была разработана автоматическая система управления технологическим процессом абсорбции оксида серы. Разработали функциональную и принципиальную схему автоматизации. Подобрали датчики измерения, регулятор и исполнительный механизм.



рефераты бесплатно
НОВОСТИ рефераты бесплатно
рефераты бесплатно
ВХОД рефераты бесплатно
Логин:
Пароль:
регистрация
забыли пароль?

рефераты бесплатно    
рефераты бесплатно
ТЕГИ рефераты бесплатно

Рефераты бесплатно, реферат бесплатно, сочинения, курсовые работы, реферат, доклады, рефераты, рефераты скачать, рефераты на тему, курсовые, дипломы, научные работы и многое другое.


Copyright © 2012 г.
При использовании материалов - ссылка на сайт обязательна.